Description
Periodic, seasonal, or long-term acoustic monitoring of bats
- Lightweight, portable and completely weatherproof
- Easy to set up and use with convenient Quick Start
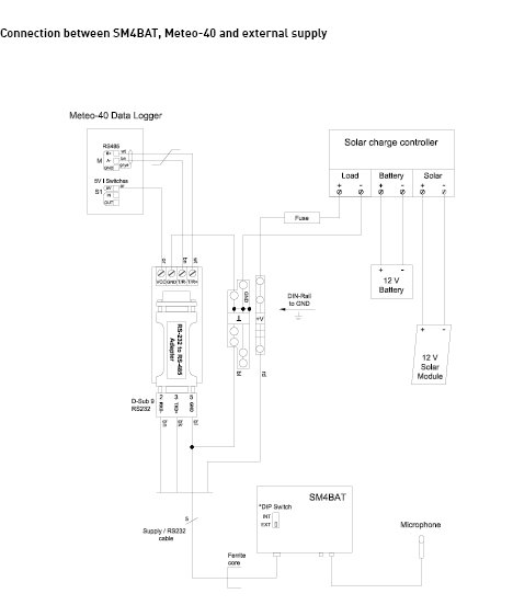
- Easy integration into SCADA systems via the Ammonit Meteo-40 data logger
The SM4BAT is a weatherproof, programmable audio recorder designed for the periodic, seasonal, and long-term monitoring of wildlife bioacoustics in almost any environmental condition. You can schedule daily recordings to meet a variety of needs including times that are relative to sunrise and sunset, specific duty cycles with on/off recording patterns, and continuous monitoring all day and all night.
The SM4BAT optimizes battery life and memory capacity to record for extended periods of time. Using both memory slots and new alkaline batteries, a typical deployment can record for up to 650 hours spanning several months.
Made of rugged polycarbonate, the SM4BAT is less than half the weight and size of the SM3BAT. The integrated mounting bracket and weatherproof security cover keep the unit safe and dry in the most punishing environments.
To get you started quickly, the SM4BAT features a brand new, easy-to-use, Quick Start menu and Scheduler. Use built-in schedules, or customize them for your specific recording needs.
Specifications
| Characteristic | Description |
|---|---|
| Recording Channels | 2 |
| Recording Technologies | 16-bit PCM .wav |
| Audio | |
| Amplifier Gain | Preamp: 0 dB or 26 dB, Amplifier: 0 dB … 59.5 dB in 0.5 dB steps |
| Noise Floor | -93 dBV, A-Weighted (@0 dB gain, HPF disabled) |
| High Pass Filter | 220Hz or 1kHz |
| Sample Rates [kHz] | 8, 12, 16, 22, 05, 24, 32, 44.1, 48, 96 |
| Microphone, internal | Sensitivity: -35 ±4 dB (0 dB=1V/pa@1kHz) |
| Microphone, external (SMM-A2) | Sensitivity: -9 ±4 dB (0 dB=1V/pa@1kHz) |
| Accessories | |
| Memory | Class 4 or faster SDHC and SDXC (no reformat required), up to 32 GB SDHC or up to 512 GB SDXC per slot |
| Adapter | Adapter RS-232 to RS-485 (optional:M88010) |
| Optional | Y-cable for external supply and RS-232 |
| Integrated | RS-232 UART |
| Bandrate | 19 200 or 38 400 automatically 8N1 |
| Supply | |
| Power Supply | External: 5 – 17VDC Internal: 4 standard D size disposable alkaline batteries Clock Backup Bat.: 3.0VDC lithium CR2032 |
| Power Consumption | Recording: 100 – 180mW, Sleeping: 1.8mW |
| Operating Temperature | -20°C to 85 °C |
| Dimension | 218 mm x 152 mm x 78 mm (L x W x H) |
| Weight with 4 D batteries | 1.3kg |
| Manufacturer | Wildlife Acoustics, Inc. |


