Order number
M81120
Availability
Usually in stock
Documents
Description
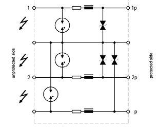
- Nearly leakage current free overvoltage protection device for 3-data or signal lines, 2-wire bus networks
- Coarse protection by 20kA (8/20μs) heavy duty-GDT
- Fine protection by high speed suppressor-diodes
- Low-pass filter characteristic against danger high frequent harmonics
- Transversal and longitudinal voltage protection
- Rigid and small size polycarbonate housing for DIN-rail or direct mounting
- Strong and corrosion resistant universal screw terminals
Specifications
| Characteristic | Description / Value |
|---|---|
| Nominal operating voltage | UN = 24V DC |
| Max. continuous operating voltage | Umax = 28V DC |
| Max. continuous operating current | Imax = 500mA |
| Protection level line-ground at 1kV/µs and In | URes ≤ 36V |
| C2 nominal impulse discharge current (10x at wave form 8/20 µs) | In = 20kA |
| Operating temperature range | -25 … +85°C |
| Protection degree acc. to IEC EN 60529 | IP 20 |
| Manufacturer | Leutron |
Sensor connection diagram


