Order number
S64190
Availability
Usually in stock
Accessories
Documents
Description
The Solar Monitoring Station EKO MS-90+ is a cost-effective system combining DNI Sensor EKO MS-90 and Pyranometer EKO MS-80S for DNI, GHI and DHI data without sun tracker.
These two instruments are connected via EKO C-Box Modbus Processing interface with a GPS receiver and a processing unit.
The station accurately measures DNI and GHI and calculates Diffuse irradiance (DHI) from the measurement data and the sun position.
The EKO C-Box is delivered with a 10 m cable, the sensor has a 1.5 m cable to connect to the C-box.
The station provides a digital output signal (RS-485 Modbus RTU) and can be easily connected to various data acquisition systems in solar energy projects and meteorological stations (dataloggers, inverters, SCADA etc). It can also be connected to a PC.
The DNI Sensor EKO MS-90 sensor has a broad spectral response (300-2500 nm) and is calibrated outdoors with a pyrheliometer.

C-Box Modbus Processing interface EKO

The C-Box Modbus Processing interface provides different functions for sensor control and data processing of different EKO sensors.
In combination with the DNI sensor EKO MS-90, the pulsed output can be converted into a continuous output Voltage or RS-485 Modbus RTU signal. With an additional pyranometer and optional GPS receiver a turnkey system can be configured to measure DNI, GHI and DHI over Modbus.
By using this device, the DNI sensor EKO MS-90 analogue voltage output peaks correspondent to DNI are detected and converted to digital. It then transmits and receives data with serial communication method.
Since it is compatible with RS-485 communication, it is possible to connect with PV monitoring devices, which have this communication function. By setting the pyranometer sensitivity on signal converter, the voltage signal output from pyranometer can be converted to solar irradiance.
The signal converter is integrated in an IP65 enclosure for outdoor installation. The settings for the measurements and communication can be changed by using the setup software.
DNI Sensor EKO MS-90

The DNI Sensor EKO MS-90 measures the Direct Normal Irradiance (DNI) without a sun-tracker.
It has a rotating mirror, which only reflects the sunbeam onto a thermal detector.
The DNI Sensor EKO MS-90 can be used in combination with any pyranometer to measure the DNI and Global Horizontal Irradiance (GHI). Hence the Diffuse Horizontal Irradiance (DHI) can be calculated.
Specifications
Solar Monitoring Station EKO MS-90+
| Characteristic | Description |
|---|---|
| Classification | ISO 9060:2018 Class C (DNI) + Class A (GHI, DHI) |
| Output | DNI, GHI, DHI (RS-485 Modbus RTU) |
| Temperature response -20°C … +40°C |
± 5 % |
| Non-linearity | ± 2.5 % |
| Operating temperature range | -20 … +50 °C |
| Wavelength range | 300 – 2500 nm (50% points) |
| Power supply | 10.5 – 12.5 VDC |
| Dimensions mm | 350 (W) x 250 (L) x 200 (H) incl. optional base plate) |
| Weight | 2.5 kg |
| Ingress protection | IP 67 |
| Cable length | 10 m |
| Geographic application | Lattitude (-58º … +58º ) / Longitude (0º — +360º) |
| Power consumption | < 6 W |
| Warranty | 5 years |
| Manufacturer | EKO Instruments |
C-Box Modbus Processing interface EKO
| Characteristic | Description | |
|---|---|---|
| Communication interface | RS-485 Modbus RTU | |
| Channels | 2 units | |
| Functions | DNI, GHI, DHI processing | |
| Operating temperature range | -40 … +80 °C | |
| Voltage range | 12 V | |
| Power consumption | < 1 W | |
| Average Power Consumption | 0.5 W | |
| Power Supply | 12 VDC ± 10% (Note: Supply voltage critical for MS-90) | |
| Protection | IP 65 | |
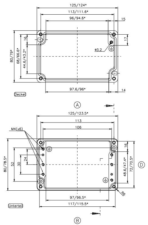
| Dimension (W x L x H) | 125 x 60 x 80 mm | |
| Weight (without cable) | 0.5 kg | |
| Input Signals | EKO MS-90 DNI sensor | Analog pulse 0 .. 2 V |
| EKO MS-80S pyranometer | RS-485 Modbus RTU | |
| Warranty | 5 years | |
| Manufacturer | EKO Instruments | |
| C-Box system Specification | ||
| Input parameters | EKO MS-90 DNI sensor | DNI |
| EKO MS-80S pyranometer | GHI | |
| Output parameters | DNI / GHI / DHI (Meta data T, RH, Tilt, Long / Lat position, Solar Position, Time) |
|
| Sampling | 1 s (15 s DNI) | |
| Irradiance range DNI (Measured) | 120 … 1600 W/m² | |
| Irradiance range GHI (Measured) | 0 … 1600 W/m² | |
| Irradiance range DHI (Calculated) | 0 … 500 W/m² (DHI = GHI when DNI < 120 W/m²) |
|
DNI Sensor EKO MS-90
| Characteristic | Description |
|---|---|
| Classification | ISO 9060:2018 |
| Sensitivity | 1.785 µV/W/m² |
| Spectral range | 300 … 2700 nm |
| Operating temperature | -20 … +50 °C |
| Power supply | 10.5 … 12.5 V DC |
| Output | 0 – 2V (Pulse) |
| Non-linearity | ±2.5 % |
| Wavelength range | 300 – 2500 nm (50% points) |
| Geographic application | Lattitude (-58º to 58º ) / Longitude (0º to 360º) |
| Power consumption | < 5 W |
| Protection | IP67 |
| Dimension (W x L x H) | 350 x 250 x 200 mm (incl. optional base plate) |
| Weight (without cable) | 2.5 kg |
| Cable length | 10 m |
| Options | |
| Cable length | 20 / 30 / 50 m |
| Base plate | 350 x 250 / levelling feet mm |
| Power supply | 100 to 240 VAC / 12VDC / 200 x 140 x 80 mm / 2.5 kg |
| Warranty | 5 years |
| Manufacturer | EKO Instruments |
Dimensional drawing
C-Box Modbus Processing interface EKO

DNI Sensor EKO MS-90

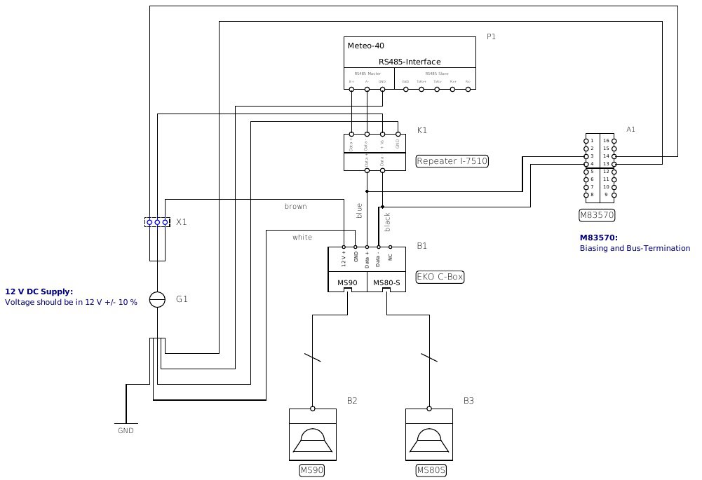
Sensor connection diagram

Recommended connection of C-Box to Ammonit Meteo-40 Data Logger
Biasing with M83570 and galvanic isolation with Repeater M84100.
Important Note: Restrict the power supply for the C-Box to 12 V.
Cable Colors for C-Box cable: Supply and RS485 Interface
| Cable Color C-Box | Function |
|---|---|
| brown | + 12V DC |
| white | GND |
| blue | Data + |
| black | Data – |
| grey | not connected |

